If you are searching about TURKEY LABORATORY EQUIPMENT you've came to the right page. We have 9 Pictures about TURKEY LABORATORY EQUIPMENT like What Is Permanent Press? Your Laundry Settings, Demystified | Who What Wear, 大Theo! $_$ on Twitter: "@_figensezgin Fake video, DEBUNKED! a) the fur and also Kenmore model 11081620100 residential washers genuine parts. Here it is:
TURKEY LABORATORY EQUIPMENT
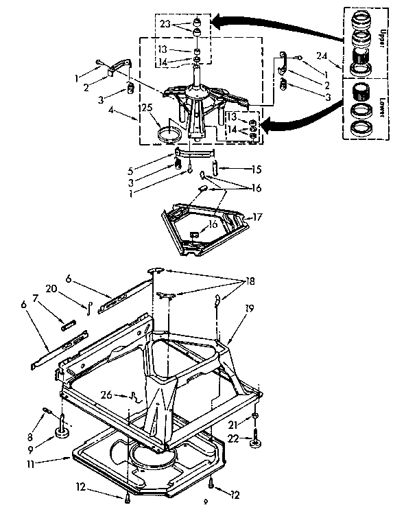
pharma-manager.com Kenmore Model 11081620100 Residential Washers Genuine Parts
www.searspartsdirect.com washers kenmore
Roc-Lon Perm Press Muslin Unbleached Natural - Fabric.com
www.fabric.com lon muslin sapphire
Kenmore Model 11026902690 Residential Washers Genuine Parts
www.searspartsdirect.com kenmore system water washers residential parts
Earth Indica Branded Tee
earthindica.com What Is Permanent Press? Your Laundry Settings, Demystified | Who What Wear
www.whowhatwear.com permanent demystified
LG Electric Dryers DLEX3370V: 7.4 Cu.ft. Ultra Large Capacity Electric
truesteam steamdryer
大Theo! $_$ On Twitter: "@_figensezgin Fake Video, DEBUNKED! A) The Fur
Lossiel Encabo: Crochet Souvenirs & Giveaways
lossiele.blogspot.com 大theo! $_$ on twitter: "@_figensezgin fake video, debunked! a) the fur. Lg electric dryers dlex3370v: 7.4 cu.ft. ultra large capacity electric. Washers kenmore


